Moin,
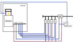
ich wollte vor dem Rainbird Verteiler ein Masterventil installieren. Am dem Verteiler wollte ich auch einen Gartenschlauch anschließen, um mal schnell einige Pflanzen zu giessen. Um nicht jedes mal das Masterventil per Hand bzw. eine Dummy Zone über das Steuergerät zu starten, wollte ich beim Gartenschlauch einen Wippschalter anbringen. Der soll das Masterventil öffnen.
Kann ich den Wippschalter am Hunter Steuergerät (PHC-06) direkt nach dem Netzteil anschließen und dann mit dem MV verbinden?

ich wollte vor dem Rainbird Verteiler ein Masterventil installieren. Am dem Verteiler wollte ich auch einen Gartenschlauch anschließen, um mal schnell einige Pflanzen zu giessen. Um nicht jedes mal das Masterventil per Hand bzw. eine Dummy Zone über das Steuergerät zu starten, wollte ich beim Gartenschlauch einen Wippschalter anbringen. Der soll das Masterventil öffnen.
Kann ich den Wippschalter am Hunter Steuergerät (PHC-06) direkt nach dem Netzteil anschließen und dann mit dem MV verbinden?
